Замена проводки в квартире
Замена проводки в квартире – необходимая мероприятие, если ваш дом 60 годов прошлого столетия. Во-первых, она уже погнила и поэтому может случиться электро замыкание и возникнуть пожар. Во-вторых, все дома, которые проектировались в советское время, проводка не рассчитывалась на такие нагрузки электроэнергии, какие сейчас, в то время в домах не было такого большого количества бытовой техники. Современную квартиру в наше время трудно представить без микроволновой печи, кондиционера или водонагревателя, все это необходимый минимум для комфортной жизни горожанина. Старая проводка, как правило, не выдерживает такую большую нагрузку, поэтому вам настоятельно рекомендуем осуществить замену проводки в квартире.
Нагрузка на электропроводку увеличилась практически в два раза по сравнению, с той что проектировалась при постройке дома, к тому же гарантийные сроки стабильной работы электропроводки составляют 20 -25 лет, после этого изоляционные материалы проводов начинают разрушаться, из-за чего может случиться короткое замыкание и как следствие пожар.
Раньше при электромонтажных работах в квартире, как правило, использовали алюминиевые провода с одинарной изоляцией, потому что алюминий на порядок дешевле меди. Сейчас же замену проводки в квартире лучше осуществлять медными проводами с хорошей изоляцией, несмотря на то, что цена таких проводов будет несколько выше, но зато такие провода прослужат вам на порядок дольше. Так же неправильная замена проводки в квартире уменьшает срок службы и эксплуатации электросетей и так же по этой причине может произойти короткое замыкание, поэтому относитесь к этому максимально серьезно.
Схема проводки
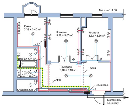
Перед заменой проводки в квартире необходимо составить план схему, на которой нужно указать, где будут располагать выключатели, розетки и т.п. Далее необходимо всех потребителей энергии разбить на несколько групп:
- Освещение
- Розетки
- Электроплита
- Санузел

От распределительного щита к каждой группе необходимо, чтобы был проложен отдельный кабель. При такой схеме, если одна группа вышла из строя, то остальные группы работают. При такой схеме распределения можно сэкономить на проводке, чем толще кабель, тем он дороже. Если вести один кабель, то ответвления от основного кабеля необходимо делать в специальных распределительных коробках, большое количество таких ответвлений снижает надежной и долговечность проводки.
Так же не стоит относить всю проводку к одной группе. К примеру, ванную комнату лучше делать отдельной группой т.к. данная группа считается одной из самых опасных, по причине высокой влажности.
Выбор автомата
При замене проводки в квартире немаловажным является выбор автомата в распределительном щите. Выбирая автомат нужно руководствоваться следующим правилом: для освещения необходимо ставить автомат типа В с номинальной силой тока 10 А, а на розетки номинальная сила тока должна быть 16 А. Сам тип автомата выбирается исходя из предполагаемых нагрузок, если вы не планируете устанавливать в квартире мощные электродвигатели, то вам вполне подойдут автоматы общего назначения.
Выбор проводов
Проводка – самое важное, при замене электропроводки в квартире, это сердце и стабильность работы всего электричества. В старых домах вся проводка (в основном) является алюминиевой, ее лучше менять на медную, она более долговечная, лучше переносит нагрузки, а на изгибах не такая хрупкая, в отличие от алюминиевой. Так же медные провода гораздо лучше подвержены пайке.
Важно! Не рекомендуется соединять старые алюминиевые провода с новыми медными, потому что у них разные свойства, в местах их скрутки существуют возможность окисления.
Розетки необходимо запитывать трехжильным кабелем (фаза, ноль, защитное заземление) с сечением не менее 2,5 мм2. Освещение можно запитать при помощи двухжильного провода с сечением 1,5 мм2.

